Energy Statistics#
Energy Profiler calculates the following device and system statistics:
Average current
Average power
Total energy
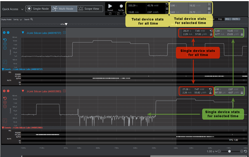
Statistics are provided for each individual device in the waveform’s top bar on both Single-Node and Multi-Node views. The sum for all devices is provided in the top bar of Multi-Node Energy Profiler for all three views. Single-Node and Multi-Node views provide individual device statistics, while Scope view does not.


This page reviews how to:
Energy Statistics Configuration#
Energy Profiler allows you to select which of the actively capturing devices are included in the total system energy statistics calculation displayed in the top bar. Click the Energy Statistics Configuration icon and select the devices to be included in the calculation. It is important to note that the devices available for selection are those that are actively capturing data, which may be different from the devices that are selected for display in the UI.


Energy Statistics Snapshot#
Energy Profiler allows you to save statistics for future reference and comparison. Click the Save Snapshot icon on any of the energy statistics panels and be presented with a dialog to provide a name and tag for future reference.


Review Saved Statistics#
Once you have saved multiple snapshots, you may want to review them, or to copy them to the clipboard for use in other applications. This is possible through the Profiler->Session Statistics... menu.

